Home

 


FiberVision GmbH
Jens-Otto-Krag-Straße 11
D-52146 Würselen

Telefon: +49 2405 4548-0
Telefax: +49 2405 4548-14

 

CAMAT® – Technische Daten


Wir bieten Ihnen zwei verschiedene Versionen des CAMAT® an, die sich im Wesentlichen in ihrer Fähigkeit Farben zu erkennen bzw. der Beschränkung auf Graustufenbilder unterscheiden.

Die beiden verfügbaren CAMAT® Versionen im Überblick:

 Typ

CAMAT® 65 C

CAMAT® 38

Sensor 782 x 582 SONY, ½" CCD color, progr. scan 640 x 480 SONY, 1/3", CCD s/w, progr. scan
Videoausgang SVGA Graustufen/Farbe SVGA Graustufen
Signalprozessor Analog Devices ADSP 2181mit 40 MHz Analog Devices ADSP 2183 mit 50 MHz

 

Gemeinsame Daten – beide Modelle

ADU / ADC

8-bit-ADU mit Digital Clamping

Schnittstellen

1 seriell V. 24 (RS-232)

Bildspeicher

1

Min. Verschlusszeit 500 Mikrosekunden – 10 Sekunden
Digitale optoentkoppelte Eingänge

4 Eingänge je 12 – 24 V

Digitale optoentkoppelte Ausgänge

4 Ausgänge je 150 mA

Externe Steuerung

– durch Initiator (SPS)
– Blitzsteuerung
– Taktsteuerung über Triggereingang

Stromversorgung

12 V DC ± 20% ungeregelt, ca. 600 mA

Betriebstemperatur

- 5°C – 45°C

Luftfeuchtigkeit

max. 80%

Schockbeschleunigung

< 70 g

Vibration

< 7 g (11 – 200 Hz)

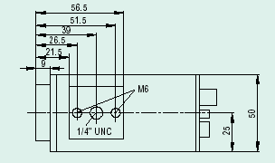
Abmessungen

111 x 50 x 45 mm3
(ohne Objektiv)

Bediensprachen

Deutsch, Englisch, Französisch, Italienisch, Niederländisch, Portugiesisch, Spanisch, Türkisch – die Sprachen sind per Menü umschaltbar

 


 

Lieferumfang

  • intelligente Kamera mit Bildverarbeitungssoftware
  • Handtastatur
  • V24-Kabel
  • SPS-Kabel
  • SVGA-Kabel
  • Steckernetzteil mit Powerkabel
  • CAMAT®-Handbuch

HINWEIS: Objektive, Beleuchtung und Monitore sind gesondert zu bestellen

Abmessungen I

Abmessungen II

Abmessungen III

 

Programmfluss

 

 

www.fibervision.de
info@fibervision.de